Dual-speed Twin Electric Fans
Using 100% Land Rover parts.
I'm still writing this up so there may be errors. Circuit diagrams to follow.
It turns out that Freelander cooling fans are an ideal fit onto a Defender radiator:
A small trim along the bottom edge, added a strip of aluminium to seat in the original clips that hold the old fan cowling. Hard to see but it just needs a Z-channel or similar to drop into the two clips on the bottom of the rad frame. An original Defender cowling screw or two secures the top edge nicely.
How to find them
I've been asked a few times which model these fans came from. I think it was TD4 but the easy way to tell is go to the scrapyard (or eBay) and look. If they look like the picture, they're these ones. If they don't, they're not.
You can use almost any fans that will fit though, just take a tape measure to the scrapyard.
Wiring
The Ambulance fans are controlled by the Megasquirt ECU in two stages - one fan comes on 1st, if the temperature goes higher the 2nd comes on. It works nicely but is not as nice as the setup on the 109 which switches both fans in series 1st, so they get 6v each and run quietly at about half speed, then switches them into parallel so they both run full speed. This seems to give a quieter and smoother result at the expense of using 4 relays where 2 will do.
I discovered whilst reading up on the wiring diagram for the FL fans that Land Rover themselves do this, and there is in fact a fan relay module in the Freelander that contains 4 relays on one PCB! Anyway, £20 later on eBay and I have no less than 3 of these to play with - it's on the to-do list, I'll post my results when I get round to it.
The Freelander Dual Fan Relay Version
From the manual
As fitted to RAVE Manual Electrical Circuit Diagrams (pg44) - Freelander 1 L-Series Diesel 1998 model year (pre-TD4), and described in RAVE Manual Electrical Library p4.77 onwards. The later models actually use PWM control to continuously vary the fan speed, very posh!
Simtek UK have the connector.
COOLING FAN - L SERIES
Cooling Fan Description
The L Series engine utilises two fans for radiator cooling. The fans operate together in slow and fast modes depending on engine coolant temperature. The fans are controlled by the Engine Control Module (ECM) which responds to signals from the Engine Coolant Temperature (ECT) sensor.
Power is supplied to each fan via a relay module. The relay module is the same module used for operation of the air conditioning system on vehicles fitted with air conditioning. The relays within the relay module are energized by the ECM completing ground paths to operate in either fast or slow modes.
When the fans operate in slow mode, a single power source to each fan is connected in series. When the fans operate in fast mode, each fan receives its supply from a separate source and the fans operate in parallel.
At temperatures of 106°C the fans are switched on in series (slow mode). If the temperature increases to 112°C or above, the ECM switches the fans to operate in parallel (fast mode). When the temperature is reduced to 106°C, the ECM switches the fans to operate in series (slow mode).
When the temperature falls to 100°C or below the ECM removes the earth paths to relay module and the fans stop operating.
When the ignition is switched off, the cooling fans do not operate, regardless of engine coolant temperature.
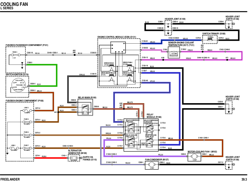
Cooling Fan Operation
A feed from the battery positive terminal, via the alternator (C183-1), is connected by a red wire to the engine compartment fusebox (C574-1) and passes through fusible links 3 and 6 and fuses 2, 3 and 7. Fusible link 6 is connected in series with fuses 2 and 3.
A feed from fusible link 3 (C571-2) in the engine compartment fusebox, is connected by a brown and red wire to the ignition switch (C028-3).
From the ignition switch (C028-5), the feed is connected by a green wire to the passenger compartment fusebox (C588-3) where it passes through fuse 3. The feed from fuse 3 continues from the passenger compartment fusebox (C581-10) to the Engine Control Module (ECM) (C126-55) on a white wire.
A feed from fuse 3 (C572-3) in the engine compartment fusebox is connected by a brown wire to two pins on the main relay (C063-2 and C063-4).
A feed from fuse 2 (C572-2) in the engine compartment fusebox is connected by a brown and white wire to the relay module (C172-8).
A feed from fuse 7 (C573-4) in the engine compartment fusebox is connected by a brown wire to the relay module (C172-7).
The ECM (C126-53) supplies a signal feed to the Engine Coolant Temperature (ECT) sensor (169-6) on pink and green wire. The ECM measures the resistance to its signal through the ECT sensor. When the resistance reaches a certain value the ECM issues a cooling fan series or parallel grant.
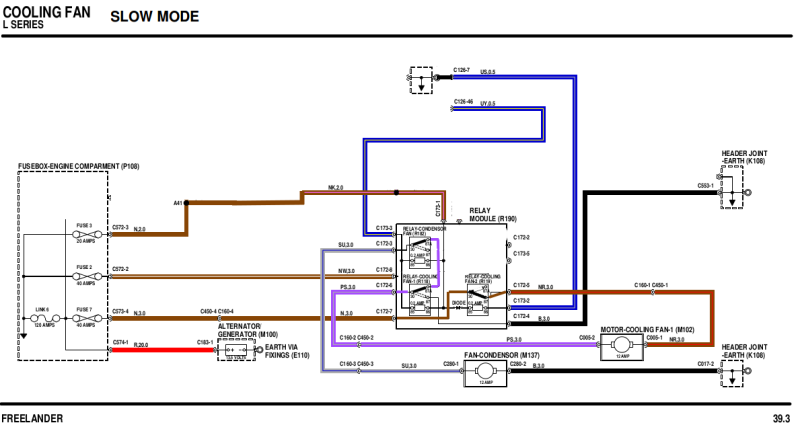
Cooling Fans - Series Operation (Slow Mode)
A feed from fuse 3 flows through the closed main relay contacts to the relay module (C173-1) on a brown and pink wire. This feed supplies power to the coils of the two cooling fan relays and the condenser fan relay.
When the ECM issues a series cooling fan grant signal, it provides an earth path from the cooling fan 2 relay coil in the relay module (C173-2) to the ECM (C126-7) on a blue and slate wire. The earth path allows the feed from the main relay to energize the cooling fan 2 relay coil and close the relay contacts.
With the cooling fan relay contacts closed, the feed from fuse 7 in the engine compartment fusebox flows through the cooling fan relay and from the relay module (C172-5) to the cooling fan motor (C005-1) on a brown and red wire.
The feed operates the cooling fan and flows from the cooling fan (C005-2) to the relay module (C172-6) on a purple and slate wire.
The feed flows through the cooling fan 1 relay contacts and through the contacts of the condenser fan relay. The feed emerges from the relay module (C172-3) and is connected to the condenser fan motor (C280-1) on a slate and blue wire. The feed operates the condenser fan motor and flows from the condenser fan motor (C280-2) to an earth header joint (C017-2) on a black wire.
Because the two fans are connected in series, they operate in slow mode.
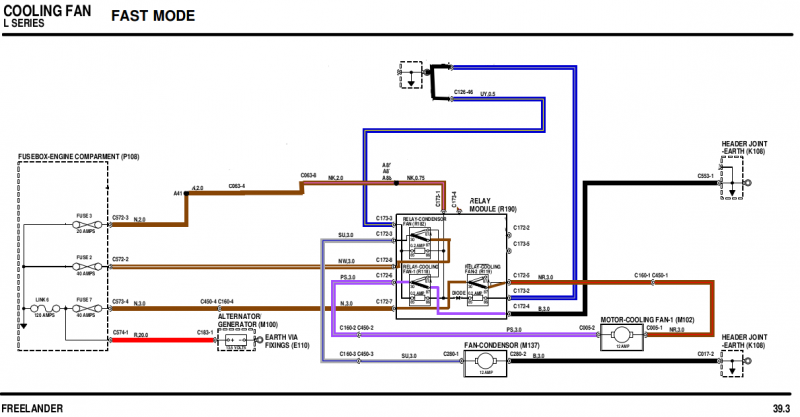
Cooling Fans - Parallel Operation (Fast Mode)
A feed from fuse 3 flows through the closed main relay contacts to the relay module (C173-1) on a brown and pink wire. This feed supplies power to the coils of the two cooling fan relays and the condenser fan relay.
When the ECM issues a parallel cooling fan grant signal, it provides an earth path from the coils of the condenser fan relay and the cooling fan 1 relay in the relay module (C173-3) to the ECM (C126-46) on a blue and yellow wire. The earth path allows the feed from the main relay to energize the coils of the condenser fan relay and the cooling fan relays and close the relay contacts.
The ECM parallel cooling fan grant signal also provides an earth path from the cooling fan relay coil in the relay module (C173-2) to the ECM (C126-7) on a blue and slate wire. The earth path allows the feed from the main relay to energize the cooling fan 2 relay coil and close the relay contacts.
With the cooling fan 2 relay contacts closed, the feed from fuse 7 in the engine compartment fusebox flows through the cooling fan 2 relay contacts and from the relay module (C172-5) to the cooling fan motor (C005-1) on a brown and red wire. The earth path from the cooling fan motor (C005-2) is connected to the relay module (C172-6) on a purple and slate wire where it passes through the contacts of the cooling fan 1 relay. The earth path is connected from the relay module (C172-4) to an earth header joint (C553-1) by a black wire. The cooling fan motor operates in fast mode.
The feed from fuse 2 in the engine compartment fusebox flows through the condenser fan relay contacts and from the relay module (C172-3) to the condenser fan motor (C280-1) on a slate and blue wire. The earth path from the condenser fan motor (C280-2) is connected to an earth header joint (C017-2) by a black wire. The condenser fan motor operates in fast mode.
Note the temperatures above are for the Freelander L-Series Diesel
This is from the P38 Range Rover V8 factory manual:
The thermostat is closed at temperatures below approximately 80°C (176°F).
When the coolant temperature reaches between 80 to 84°C (176 to 183°F)the thermostat starts to open, and is fully open at approximately 96°C (204°F).
In this condition the full flow of coolant is directed through the radiator.
People tend to set fans at very low temperatures and fit “cooler” stats (a pet peeve of mine), or worse - remove the stat entirely which can lead to worse cooling and steam pockets.
The stat isn't even fully open until 96deg so there's no point the fan coming on before perhaps 98deg as the radiator isn't getting full flow until then anyway, and you don't need the fans cutting in & out all the time - it wears the fans & relays out and can stress the engine with thermal cycling. Another reason to have a “low” speed (avoiding sudden full-blast cooling of a hot engine).
Circuit Diagrams
Original - full diagram from the RAVE manual:
Simplified - cropped & re-drawn to show SLOW mode operation, all other circuits removed:
Simplified - cropped & re-drawn to show FAST mode operation, all other circuits removed:
Parts
Dual cooling fans from, well, anywhere really - any two matched 12v fans should do but I used the Freelander ones on the 127 and Saab ones on the 109
Fan relay is Land Rover part YWB100980 they are typically about £15 on eBay.
The small (logic) connector is:
Tyco/AMP 6 Way Female Econoseal Sealed Electrical Wiring Multi Connector
TE Part Nos:
- Housing: 344267-1
- Socket Anti-Backout: 345260-1
- Terminals: 345150-1
- Wire Seals: 347874-1
The BIG (power) connector is:
Tyco/Amp TE 250 Series Female 8 Way Connector
https://www.simtekuk.co.uk/product.php/250_series_female_8_way_connector/
6.3mm spades + seals were included so I don't have part numbers.
The fan (2-pin) connectors are
Delphi 2 Way Metri-Pack Sealed 630 Series 46 AMP Automotive Connector
Identified here by PaulMc
Housing - 10737825 (black) / 15363990 (grey)
Terminals:
Seals:
Secondary Lock - 12147060
Be aware some of these part numbers below are for the mating connector (which is part of the fans) so please check - I will update if I find which is which.
Pin Terminal Part No. 12064735 Socket Terminal Part No. 12052455 Secondary Lock Part No. 12147060 Wire Seal Part No. 15324995 Receptacle Housing Part No. 15363990 / 10737825 Plug Housing Part No. 15363993 - This is part of the fan, you do not need this







